保存到桌面快捷方式 ↓
手机版
二维码
购物车
(
0
)
配件
供应
配件百科
分解图
求购
公司
展会
品牌
相册
知识
汽配城
恒科资讯
资讯
登录
免费注册
首页
配件
供应
配件百科
分解图
求购
公司
展会
品牌
相册
知识
汽配城
恒科资讯
资讯
EPC查询
首页
>
供应
>
发动机附件
>
冷却系统
>
膨胀水箱
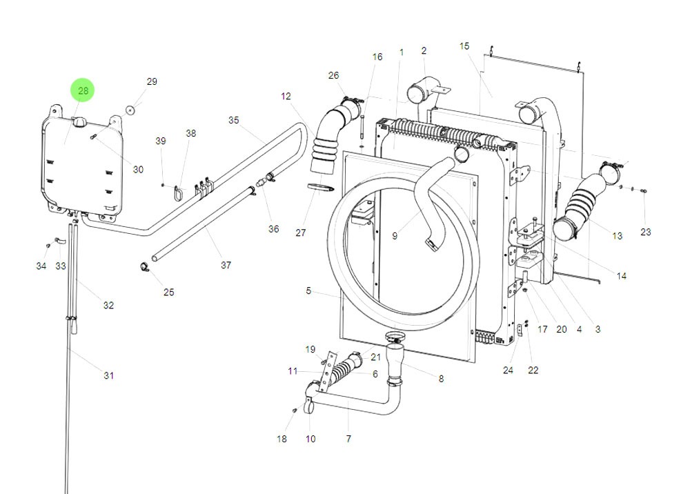
SINOTRUK 10款HOWO 动力冷却系统 WG9112530333 膨胀水箱总成
济南向前汽车配件有限公司
供应SINOTRUK 10款HOWO 动力冷却系统 WG9112530333 膨胀水箱总成【WG9112530333 膨胀水箱总成】,价格
124.00
元/Pcs/Set,下面是详细参数及照片。
产品:
Tank assy condenser
图号:
WG9112530333 膨胀水箱总成
车型:
10款 HOWO
品牌:
Forward
单价:
124.00
元/Pcs/Set
所在地:
山东 济南市 山东济南泉利重配城
有效期至:
长期有效
最后更新:
2025-12-25 11:06
浏览次数:
4
公司基本资料信息
济南向前汽车配件有限公司
[VIP第8年] 指数:7
通过认证
[诚信档案]
已缴纳
0.00
元保证金
联系人
张兵(先生) 经理
会员
[
当前在线
]
[加为商友]
[发送信件]
邮件
624412866@qq.com
电话
0531-68827106
手机
18660103049
地区
山东-济南市-山东济南泉利重配城
地址
山东省济南市天桥区蓝翔路57号泉利汽配城17-115号
详细说明
服务条款
豪沃发动机总成
在您采购时,提及恒科汽配网有优惠! 如果您对我们的产品感兴趣,可以点击上面填写询价单,我们会对此询价单有额外的优惠。如有疑问,可联系网站客服。我们公司还有下面这些产品供您选购。
SINOTRUK 10款HOWO 动力冷却系统 WG9112530
WG9112530333 膨胀水箱总成
124.00
SINOTRUK SITRAK C7H 动力悬架系统 WG9925
WG9925590270 铝前橡胶支承总
310.00
SHACMAN X3000 H3000 M3000 行驶转向系统 D
DZ96189470055 成型软管
74.00
SINOTRUK HOWO HW19710T HW50YH-N100 传动
WG9700290190 直联式取力器总成
1100.00
SHACMAN WEICHAI WD615 WP10 动力发动机起
612600090259 发电机
480.00
SINOTRUK SITRAK A7 T7H C7H 底盘电气系统
WG9925810002 右后尾灯
129.00
SHACMAN F3000 X3000 M3000 行驶制动系统 D
DZ9100360330A 挂车制动阀
240.00
SHACMAN F3000 行驶转向系统 DZ9731947023
DZ97319470230 回油散热钢管总成
140.00
SINOTRUK HOWO 转向系统 AZ9725478044 转
AZ9725478044 转向伸缩轴
250.00
XGMA XG955H 轮式装载机液压系统 60C0224
60C0224 吸油滤芯
面议
网站首页
|
营业执照
|
二维码
|
商城列表
|
配件列表
|
关于我们
|
联系方式
|
法律声明
|
版权隐私
|
网站地图
|
排名推广
|
广告服务
|
积分换礼
|
网站留言
|
RSS订阅
|
违规举报
|
鲁ICP备15030808号-1
版权©济南恒科互联软件有限公司
分享按钮